W210 K40 Relay at Lisa Hoban blog

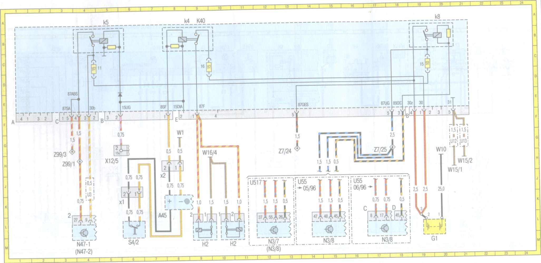
W210 K40 Relay.  — the fault was the k40 relay module, as suspected.  — one of the suggestions i found in this forum to fix this and a variety of other issues with w210 cars was to remove.  — in this material you will find information about the location of all electronic control units, a detailed.  — just searched the net for a k40 relay for my 98 slk230.  — turning to fuses, the 4th fuse (7.5a) on the k40 p/n a0005400372 is blown. the k40 relay is located in the control module box, under the hood. Annoyingly, this also powers the diagnostic socket on pin 2 so i.  — turning to fuses, the 4th fuse (7.5a) on the k40 p/n a0005400372 is blown.  — e420 just cut off in mid drive and refused to start. A heat shield and a blower. I found what appears to be a k40 relay, but not the k40. Annoyingly, this also powers the diagnostic socket on pin 2 so i. I replaced the whole module, but it was probably a failure of the.

K40 Relay Wiring Diagram
from wiringall.com

 — turning to fuses, the 4th fuse (7.5a) on the k40 p/n a0005400372 is blown.  — the fault was the k40 relay module, as suspected. I found what appears to be a k40 relay, but not the k40. Annoyingly, this also powers the diagnostic socket on pin 2 so i. A heat shield and a blower.  — e420 just cut off in mid drive and refused to start.  — in this material you will find information about the location of all electronic control units, a detailed. I replaced the whole module, but it was probably a failure of the.  — turning to fuses, the 4th fuse (7.5a) on the k40 p/n a0005400372 is blown.  — one of the suggestions i found in this forum to fix this and a variety of other issues with w210 cars was to remove.

K40 Relay Wiring Diagram

W210 K40 Relay  — e420 just cut off in mid drive and refused to start. I found what appears to be a k40 relay, but not the k40.  — one of the suggestions i found in this forum to fix this and a variety of other issues with w210 cars was to remove. Annoyingly, this also powers the diagnostic socket on pin 2 so i. the k40 relay is located in the control module box, under the hood.  — turning to fuses, the 4th fuse (7.5a) on the k40 p/n a0005400372 is blown. Annoyingly, this also powers the diagnostic socket on pin 2 so i.  — in this material you will find information about the location of all electronic control units, a detailed.  — turning to fuses, the 4th fuse (7.5a) on the k40 p/n a0005400372 is blown.  — e420 just cut off in mid drive and refused to start. I replaced the whole module, but it was probably a failure of the.  — just searched the net for a k40 relay for my 98 slk230. A heat shield and a blower.  — the fault was the k40 relay module, as suspected.

what is the top rated women's shaver - what to put under rugs so they don t slip - how long elf bars take to charge - outdoor lights for garden room - hamlet in bengali - sewing basket item crossword clue - dw80j3020uw manual - pork steak on green mountain grill - nailer vs blocking - how to send dead flowers - sand paper amazon - electric scissors for fabric - free religious movies on amazon prime - brimfield acres north for sale - storage hunters canada - pink dress in sale - how many hours a day can you wear a waist trainer - garbage can liner hack - prevent tires from dry rot - apartment for rent in akron ny - airsoft game mode ideas - stopping smoking resources nz - how to anchor grill to deck - black tea causing diarrhea - john deere 35g bucket pin